【動態專修】2010-2024年別克維修手冊和電路圖資料更新
經過整理,2010-2024年別克汽車全系列已經更新至汽修幫手資料庫內,覆蓋市面上99%車型,包括維修手冊、電路圖、新車特征、車身鈑金維修數據、全車拆裝、扭力、發動機大修、發動機正時、保養、電路圖、針腳定義、模塊傳感器、保險絲盒圖解對照表位置等等!
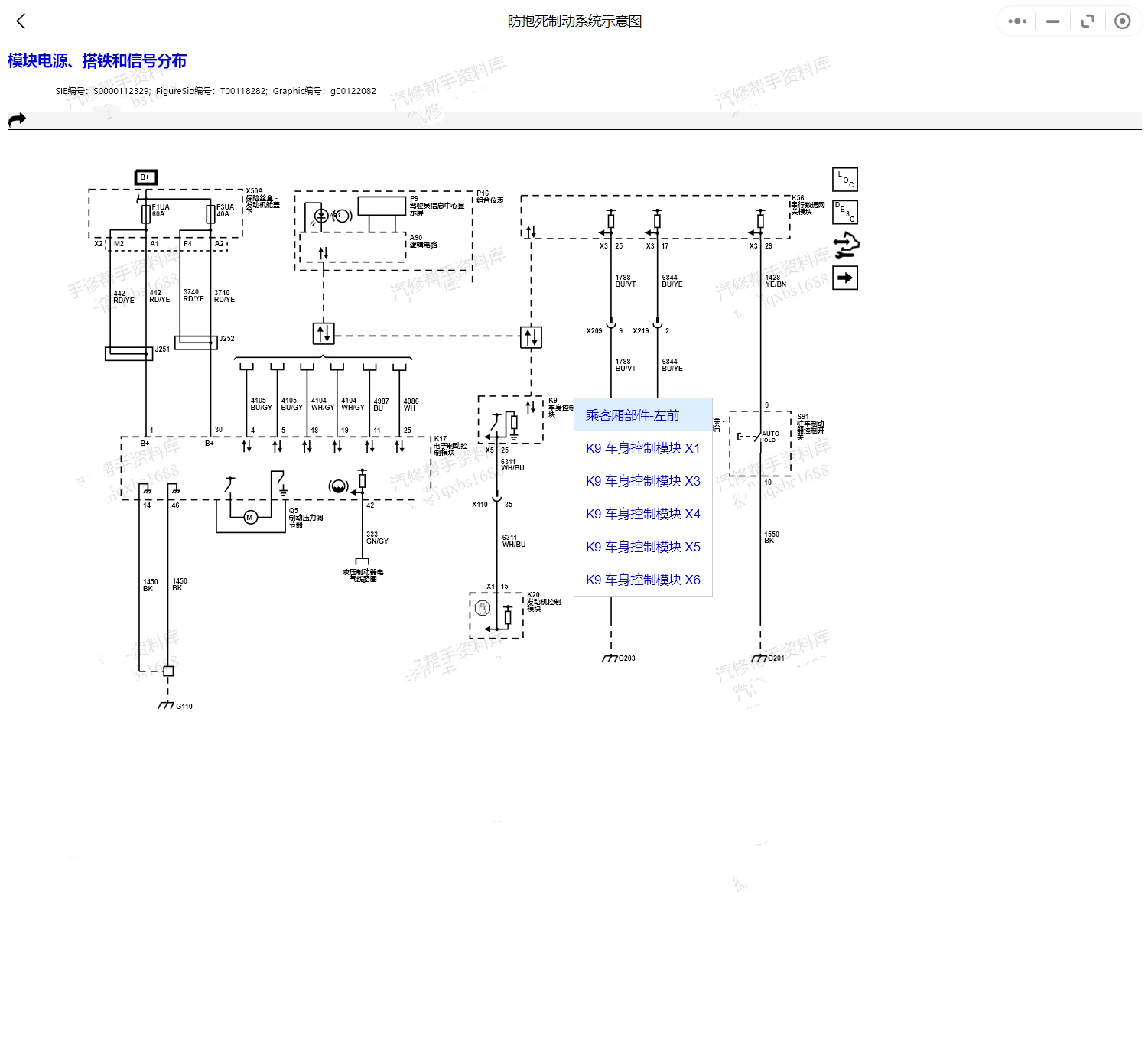
汽修幫手汽車維修資料庫提供各大廠家車型維修手冊、電路圖、新車特征、車身鈑金維修數據、全車拆裝、扭力、發動機大修、發動機正時、保養、電路圖、針腳定義、模塊傳感器、保險絲盒圖解對照表位置等,并長期保持高頻率資料更新!
提供了動態專修系統,支持內部鏈接跳轉,查找資料更方便快捷,只需輕輕一點,就能到達想要查看的內容
覆蓋資料:
"2021年別克昂科拉維修手冊和電路圖"
"2020年別克昂科拉維修手冊和電路圖 "
2020年別克昂科拉GX維修手冊和電路圖
"2021年別克昂科拉GX維修手冊和電路圖 "
"2022年別克昂科拉GX維修手冊和電路圖 "
"2015年別克新英朗維修手冊和電路圖 "
"2016年別克新英朗維修手冊和電路圖 "
"2017年別克新英朗維修手冊和電路圖 "
"2018年別克新英朗維修手冊和電路圖 "
2019年別克新英朗維修手冊和電路圖
"2020年別克新英朗維修手冊和電路圖 "
2022年別克新英朗維修手冊和電路圖
2015年別克君越維修手冊和電路圖
"2016年別克君越維修手冊和電路圖 "
2014年別克君威維修手冊和電路圖
"2015年別克君威維修手冊和電路圖 "
2016年別克君威維修手冊和電路圖
"2014年別克君越維修手冊和電路圖 "
"2017年別克君威維修手冊和電路圖 "
2023年別克世紀維修手冊和電路圖
2024年別克E4維修手冊和電路圖
2024年別克E5維修手冊和電路圖
2020年別克昂科旗維修手冊和電路圖
2021年別克昂科旗維修手冊和電路圖
2022年別克昂科旗維修手冊和電路圖
2023年別克昂科旗維修手冊和電路圖
2024年別克昂科旗維修手冊和電路圖
2010年別克昂科雷維修手冊和電路圖
2011年別克昂科雷維修手冊和電路圖
2012年別克昂科雷維修手冊和電路圖
2014年別克昂科雷維修手冊和電路圖
2015年別克昂科雷維修手冊和電路圖
2016年別克昂科雷維修手冊和電路圖
2013年別克昂科拉維修手冊和電路圖
2015年別克昂科拉維修手冊和電路圖
2014年別克昂科拉維修手冊和電路圖
2016年別克昂科拉維修手冊和電路圖
2017年別克昂科拉維修手冊和電路圖
2024年別克昂科拉Plus維修手冊和電路圖
2015年別克昂科威維修手冊和電路圖
2016年別克昂科威維修手冊和電路圖
2017年別克昂科威維修手冊和電路圖
2018年別克昂科威維修手冊和電路圖
2019年別克昂科威維修手冊和電路圖
2020年別克昂科威維修手冊和電路圖
2021年別克昂科威維修手冊和電路圖
2022年別克昂科拉Plus維修手冊和電路圖
2023年別克昂科拉Plus維修手冊和電路圖
2021年別克昂科威S維修手冊和電路圖
2022年別克昂科威S維修手冊和電路圖
2023年別克昂科威S維修手冊和電路圖
2024年別克昂科威S維修手冊和電路圖
2023年別克昂揚維修手冊和電路圖
2024年別克昂揚維修手冊和電路圖
2015年別克英朗XT 英朗GT維修手冊和電路圖
2018年別克閱朗維修手冊和電路圖
2019年別克閱朗維修手冊和電路圖
2020年別克閱朗維修手冊和電路圖
2010年別克英朗維修手冊和電路圖
2011年別克英朗維修手冊和電路圖
2012年別克英朗維修手冊和電路圖
2013年別克英朗維修手冊和電路圖
2014年別克英朗維修手冊和電路圖
2018年別克GL6維修手冊和電路圖
2019年別克GL6維修手冊和電路圖
2020年別克GL6維修手冊和電路圖
2021年別克GL6維修手冊和電路圖
2022年別克GL6維修手冊和電路圖
2015年別克GL8維修手冊和電路圖
2016年別克GL8維修手冊和電路圖
2017年別克GL8維修手冊和電路圖
2018年別克GL8陸上公務艙維修手冊和電路圖
2019年別克GL8陸上公務艙維修手冊和電路圖
2020年別克GL8陸上公務艙維修手冊和電路圖
"2021年別克GL8陸上公務艙維修手冊和電路圖 "
2022年別克GL8陸上公務艙維修手冊和電路圖
2023年別克GL8陸上公務艙維修手冊和電路圖
2024年別克GL8陸上公務艙維修手冊和電路圖
2017年別克GL8艾維亞維修手冊和電路圖
2018年別克GL8艾維亞維修手冊和電路圖
2019年別克GL8艾維亞維修手冊和電路圖
2020年別克GL8艾維亞維修手冊和電路圖
2021年別克GL8艾維亞維修手冊和電路圖
2022年別克GL8艾維亞維修手冊和電路圖
2023年別克GL8艾維亞維修手冊和電路圖
2019年別克凱越維修手冊和電路圖
2020年別克凱越維修手冊和電路圖
2021年別克凱越維修手冊和電路圖
2017年別克君越維修手冊和電路圖
2018年別克君越維修手冊和電路圖
2019年別克君越維修手冊和電路圖
2020年別克君越維修手冊和電路圖
2021年別克君越維修手冊和電路圖
2022年別克君越維修手冊和電路圖
2023年別克君越維修手冊和電路圖
2024年別克君越維修手冊和電路圖
2018年別克新君威維修手冊和電路圖
2019年別克新君威維修手冊和電路圖
2020年別克新君威維修手冊和電路圖
2021年別克新君威維修手冊和電路圖
2022年別克新君威維修手冊和電路圖
2023年別克新君威維修手冊和電路圖
2018年別克新昂科拉維修手冊和電路圖
2019年別克新昂科拉維修手冊和電路圖
2017年別克微藍5維修手冊和電路圖
2018年別克微藍5維修手冊和電路圖
2019年別克微藍6 EV維修手冊和電路圖
2020年別克微藍6 EV維修手冊和電路圖
2021年別克微藍6 EV維修手冊和電路圖
2022年別克微藍6 EV維修手冊和電路圖
2023年別克微藍6 EV維修手冊和電路圖
2021年別克微藍6 PHEV維修手冊和電路圖
2022年別克微藍6 PHEV維修手冊和電路圖
2023年別克微藍6 PHEV維修手冊和電路圖
2021年別克微藍7維修手冊和電路圖
2022年別克微藍7維修手冊和電路圖
2016年別克威朗維修手冊和電路圖
2017年別克威朗維修手冊和電路圖
2018年別克威朗維修手冊和電路圖
2019年別克威朗維修手冊和電路圖
2020年別克威朗維修手冊和電路圖
2017年別克威朗GS維修手冊和電路圖
2016年別克威朗GS維修手冊和電路圖
2018年別克威朗GS維修手冊和電路圖
2019年別克威朗GS維修手冊和電路圖
2022年別克威朗維修手冊和電路圖
2023年別克威朗Pro維修手冊和電路圖







